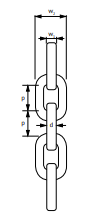
| Çap mm / d | İç uzunluk / p | İç uzunluk / Abw. tol. ± | İç genişlik / w1 min. | Dış genişlik / w2 max. | Çalışma yükü / t max | Test yükü / kN | Kopma yükü / kN | Ağırlık |
|---|---|---|---|---|---|---|---|---|
| 4 ± 0,2 | 16 | 4,8 | 13,6 | 200 | 5 | 8 | 0,32 | |
| 5 ± 0,2 | 18,5 | 6 | 17 | 320 | 8 | 12,5 | 0,5 | |
| 6 ± 0,2 | 18,5 | 7,2 | 20,4 | 400 | 10 | 16 | 0,8 | |
| 7 ± 0,3 | 22 | 8,4 | 23,8 | 630 | 16 | 25 | 1,1 | |
| 8 ± 0,3 | 24 | 9,6 | 27,2 | 800 | 20 | 32 | 1,4 | |
| 9 ± 0,4 | 27 | 10,8 | 30,6 | 1000 | 25 | 40 | 1,8 | |
| 10 ± 0,4 | 28 | 12 | 36 | 1250 | 32 | 50 | 2,3 | |
| 11 ± 0,4 | 31 | 13,2 | 40 | 1600 | 40 | 63 | 2,7 | |
| 13 ± 0,5 | 36 | 15,6 | 47 | 2000 | 50 | 80 | 3,9 | |
| 14 ± 0,6 | 41 | 16,8 | 50 | 2500 | 63 | 100 | 4,4 | |
| 16 ± 0,6 | 45 | 19,2 | 58 | 3200 | 80 | 125 | 5,8 | |
| 18 ± 0,9 | 50 | 21,6 | 65 | 4000 | 100 | 160 | 7,4 | |
| 20 ± 1,0 | 56 | 24 | 72 | 5000 | 125 | 200 | 9 | |
| 23 ± 1,2 | 64 | 27,6 | 83 | 6300 | 160 | 250 | 12 | |
| 26 ± 1,3 | 73 | 31,2 | 94 | 8000 | 200 | 320 | 15 | |
| 28 ± 1,4 | 78 | 33,6 | 101 | 10000 | 250 | 400 | 18 | |
| 30 ± 1,5 | 84 | 36 | 108 | 11200 | 280 | 450 | 20 | |
| 32 ± 1,6 | 90 | 38,4 | 115 | 12500 | 320 | 500 | 23 | |
| 36 ± 1,8 | 101 | 43,2 | 130 | 16000 | 400 | 630 | 29 | |
| 40 ± 2,0 | 112 | 48 | 144 | 20000 | 500 | 800 | 35 | |
| 42 ± 2,1 | 118 | 50 | 151 | 22400 | 560 | 900 | 40 |