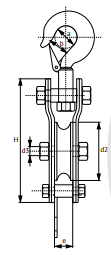
| Ölçü / d2 | Çalışma Yükü / WLL t | Ölçüler /a-mm | Ölçüler / b-mm | Ölçüler b1-mm | Ölçüler b4-mm | Ölçüler / d2-mm | Ölçüler / d3-mm | Ölçüler / d4-mm | Ölçüler / e-mm | Ölçüler / H-mm |
|---|---|---|---|---|---|---|---|---|---|---|
| 100x1 | 1 | 39 | 27,5 | 120 | 20 | 100 | 20 | 18 | 220 | |
| 100x2 | 1 | 39 | 27,5 | 120 | 20 | 100 | 20 | 18 | 245 | |
| 100x3 | 1 | 39 | 27,5 | 120 | 20 | 100 | 20 | 18 | 245 | |
| 125x1 | 2 | 42 | 31 | 145 | 20 | 120 | 24 | 24 | 250 | |
| 125x2 | 2 | 42 | 31 | 145 | 20 | 120 | 24 | 24 | 275 | |
| 125x3 | 2 | 42 | 31 | 145 | 20 | 120 | 24 | 24 | 275 | |
| 150x1 | 3 | 51 | 39 | 168 | 24 | 140 | 30 | 25 | 275 | |
| 150x2 | 3 | 51 | 39 | 168 | 24 | 140 | 30 | 25 | 295 | |
| 150x3 | 3 | 51 | 39 | 168 | 24 | 140 | 30 | 25 | 295 | |
| 200x1 | 5 | 76 | 60 | 230 | 28 | 190 | 36 | 25 | 330 | |
| 200x2 | 5 | 76 | 60 | 230 | 28 | 190 | 36 | 25 | 375 | |
| 200x3 | 5 | 76 | 60 | 230 | 28 | 190 | 36 | 25 | 375 | |
| 300x1 | 8 | 83 | 67 | 330 | 32 | 300 | 42 | 35 | 460 | |
| 300x2 | 8 | 83 | 67 | 330 | 32 | 300 | 42 | 35 | 500 | |
| 300x3 | 8 | 83 | 67 | 330 | 32 | 300 | 42 | 35 | 500 | |
| 350x1 | 12 | 105 | 90 | 380 | 42 | 350 | 48 | 40 | 550 | |
| 350x2 | 12 | 105 | 90 | 380 | 42 | 350 | 48 | 40 | 590 | |
| 350x3 | 12 | 105 | 90 | 380 | 42 | 350 | 48 | 40 | 590 | |
| 410x1 | 15 | 130 | 110 | 430 | 42 | 410 | 56 | 45 | 750 | |
| 410x2 | 15 | 130 | 110 | 430 | 42 | 410 | 56 | 45 | 790 | |
| 410x3 | 15 | 130 | 110 | 430 | 42 | 410 | 56 | 45 | 790 |